Uchwyt tokarski 3 szczękowy 80 MM DK11 uchwyty DK-11 80MM DIN6350
Uchwyt tokarski 3 szczękowy 80 mm samocentrujący marki Magma.
Fabrycznie nowe uchwyty w komplecie zawierają :
- Uchwyt,
- Klucz,
- Drugi komplet szczęk,
- Śruby mocujące.
W zestawie znajdują się szczęki zewnętrzne i wewnętrzne.
Maksymalne obroty: 4000obr/1min
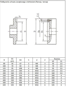
Uchwyt w standardzie normy DIN 6350 - jest to normalizacja polska wg BISON Białystok. Wg. tej normy rozstaw śrub mocujących w uchwycie, gabaryty uchwytu oraz zamek (poglądowo wytoczenie w uchwycie pod występ zabieraka ) jest zgodne z zabierakami stosowanymi na rynku polskim. Natomiast szczęki uchwytu tokarskiego są inne niż stosowane w uchwytach marki BISON.
Marka MAGMA to linia produktów profesjonalnych - produkty tej serii są wstanie konkurować z innymi topowymi odpowiednikami, a zarazem są w oferowane w korzystnej cenie.
Produkt wyprodukowano w Chinach.
Cena brutto za 1 szt.
Koszt przesyłki pokrywa Klient.
Gwarancja 12 miesięczna na podstawie dowodu zakupu.












