Uchwyt tokarski 3 szczękowy 125 mm DK-11 uchwyty DIN6350
Uchwyt tokarski DK-11 125mm samocentrujący marki Magma.
Fabrycznie nowe uchwyt tokarskie o wysokiej jakości wykonania.
Zestaw zawiera:
- uchwyt
- drugi komplet szczęk
- klucz
- śruby mocujące.
W zestawie znajdują się szczęki zewnętrzne i wewnętrzne.
Maksymalne obroty: 3000obr/1min
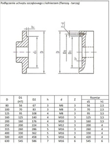
Uchwyt w standardzie normy DIN 6350 - jest to normalizacja polska wg BISON Białystok. Wg. tej normy rozstaw śrub mocujących w uchwycie, gabaryty uchwytu oraz zamek (poglądowo wytoczenie w uchwycie pod występ zabieraka ) jest zgodne z zabierakami stosowanymi na rynku polskim. Natomiast szczęki uchwytu tokarskiego są inne niż stosowane w uchwytach marki BISON.
Marka MAGMA to linia produktów profesjonalnych - produkty tej serii są wstanie konkurować z innymi topowymi odpowiednikami, a zarazem są w oferowane w korzystnej cenie.
Produkt wyprodukowano w Chinach.
Cena brutto za 1 komplet.
Gwarancja 12 miesięczna na podstawie dowodu zakupu.
Koszt przesyłki pokrywa Klient.











